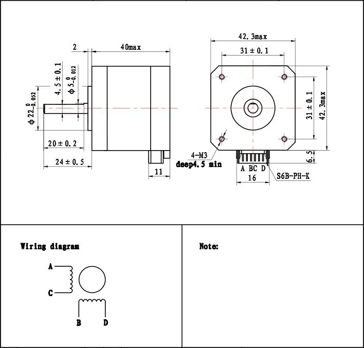
NEMA17 Milling flat Stepper Motor (42SHD0217-24B)1.Please feel free to contact us!2.Motor Name:NEMA17 Hybrid Stepper Motor3.Size:Nema17(42*42mm)4.Feature:High precision, low inertia, low noise,small size,mooth movement5.The Outline Drawing of nema17 stepper motorHYBRID STEPPING MOTOR 42SHD0217-24B ......

| HYBRID STEPPING MOTOR 42SHD0217-24B Casun | |||
| General Specification | Electrical Specification | ||
| Step Angle | 1.8° | Rated Voltage | 3.75V dc |
| Number of Phase | 2 | Rated Current | 1.5A |
| Insulation Resistance | 100MΩmin. (500V DC) | Resistance per phase | 2.5Ω±10% |
| Insulation Class | Class B | Inductance per Phase | 5.0mH±20% |
| Rotor Inertia | 57g.cm² | Holding torque | 450mN.m |
| Mass | 0.24kg | Detent torque | 15mN.m |











NEMA23 High Torque Round Hb Stepper Motor for 3D Printer
NEMA8/11/14/16/17/23/34 1.8 Deg Hb Electric Stepping Stepper Motor
NEMA 8 Connector Type Hb -Hybird Stepper Step Motor (28mm 0.039N. m)
NEMA 8 Connector Type Hb -Hybird Stepping Stepper Motor for Spark Cutting Machine
3.0n. M 57X57X100mm NEMA23 Stepper Motor 3.0A CNC Stepper Motor
24HT6335 3-Phase NEMA23 Step Stepping Stepper Electric Motor